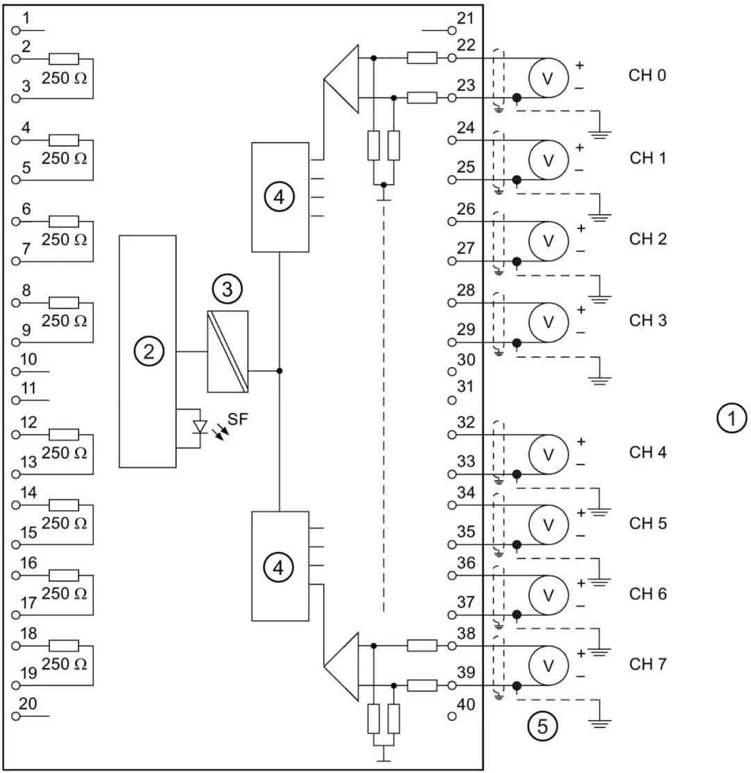
模拟量输入模块SM331;AI8x16位;(6ES7331-7NF00-0AB0)接线:电压和电流测...
活塞vs步行者赛前分析:个人观点,仅供参考活塞目前8胜46负排名东部第15,球队对战绩无所求,近期遭...
XXL-JOB是一个分布式任务调度平台,其核心设计目标是开发迅速、学习简单、轻量级、易扩展。现已开放...
《道路交通安全法》规定,高速公路应急车道是生命救援通道,严禁社会车辆非紧急情况下在应急车道内通行或停...
产品:MW621ST明基投影机1极致色彩型商教投影产品[中关村在线投影机频道原创]自然的总是最美的,...
天安云谷位于华为科技城核心,是一个基于大数据、云计算,建设以人为核心的智慧城市社区。天安云谷以SMA...
吐槽大会,擂台打响一言不合就开会。例行周会、月度会议、业务交流会、紧急会议、头脑风暴会议……无论是企...
全息舞台技术突破了传统声、光、电的局限,空间成像色彩鲜艳,对比度、清晰度都非常高,空间感、透视感、立...
2017-11-1705:44:00作者:李竟成很多投影都有无线投屏功能,手机和其他移动设备可以通过...
11080P家用投影机名位PK赛[中关村在线投影机频道原创]人爱分帮派,物也喜以类聚,当群体聚集的时...
183 阅读 , 2026-01-26
44 阅读 , 2026-01-26
110 阅读 , 2026-01-26
120 阅读 , 2026-01-26