

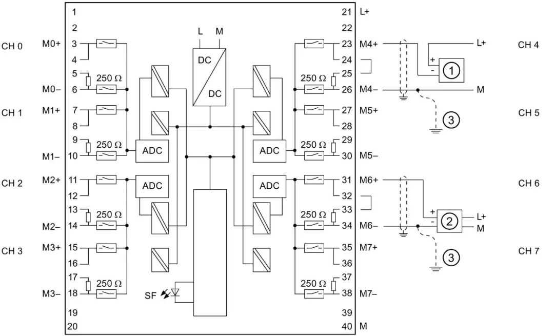
模拟量输入模块SM331;AI8x16位;(6ES7331-7NF00-0AB0)
接线:电压和电流测量
在测量电流时,使用相应的分流电阻将通道电压的电压输入并联。可将通道输入端子与相邻的连接器端子桥接。
示例:将端子22与2短接,端子23与3短接,可将通道0组态为电流测量。
在组态用于电流测量的通道上,将分流电阻连接到相邻的通道端子,以获得指定的精度。

6ES7331-7NF00-0AB0图6-1接线图与方框图
①电压测量
②背板总线接口
③电气隔离
④模数转换器(ADC)
⑤等电位连接
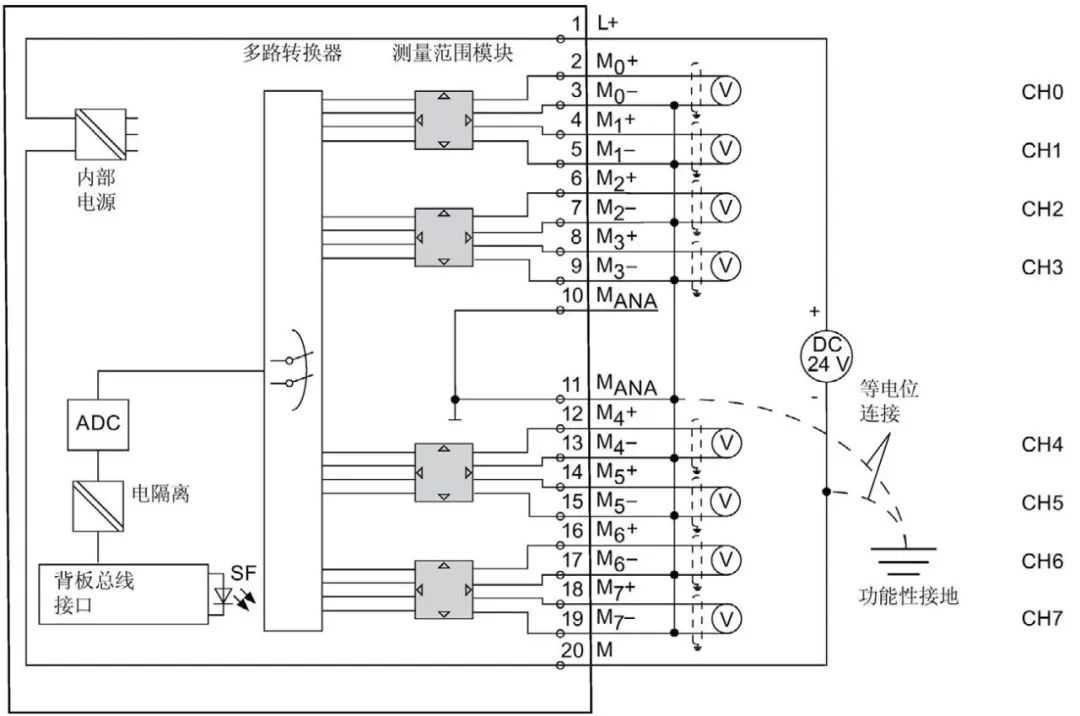
接线:2线制和4线制传感器

图6-2接线图与方框图
①背板总线接口
②电气隔离
③模数转换器(ADC)
④适用于4线制传感器的通道0
⑤适用于2线制传感器的通道7(具有外部电源)
⑥等电位连接

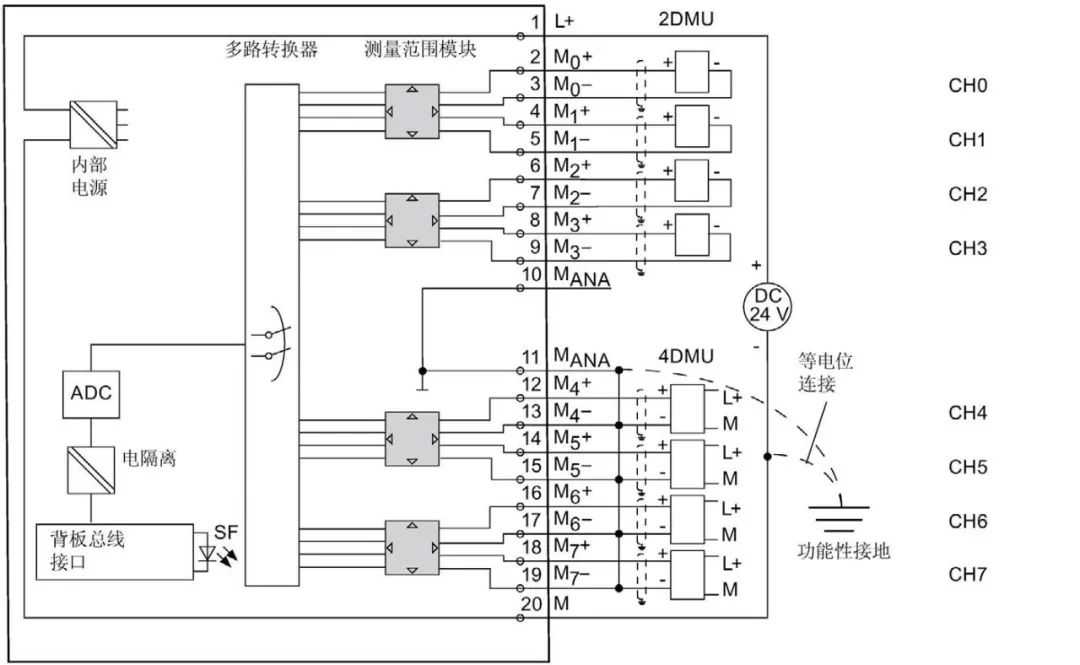
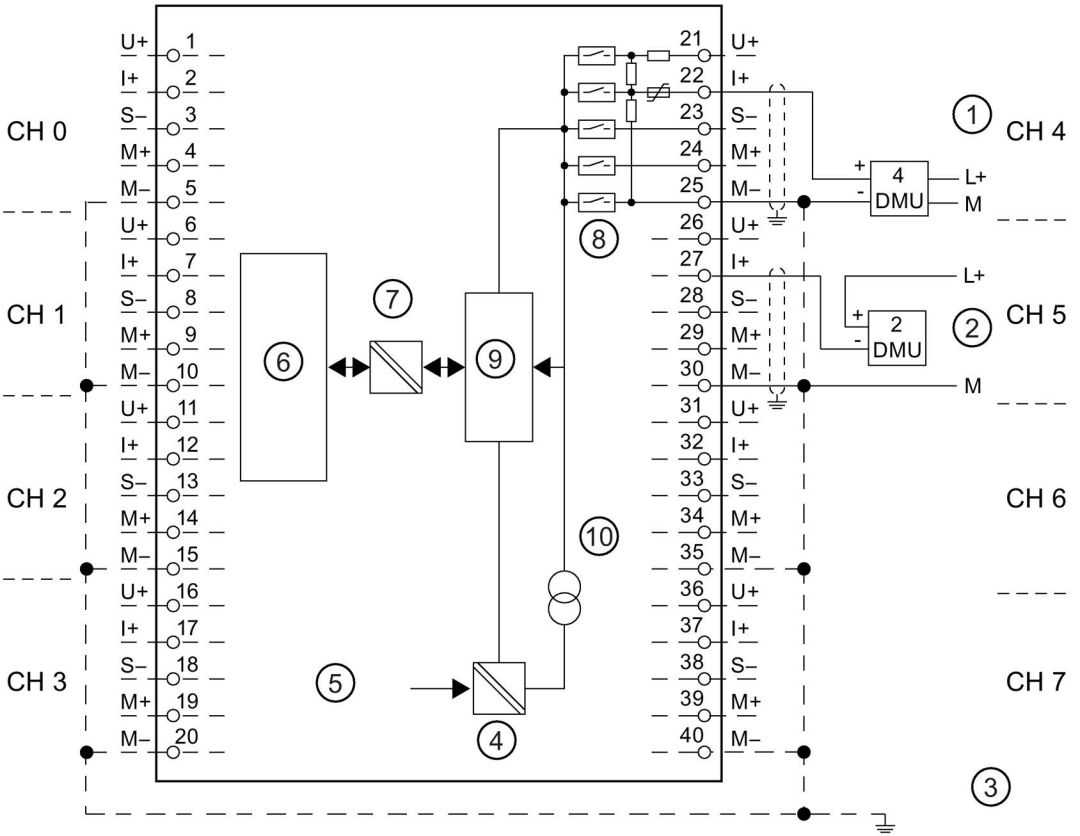
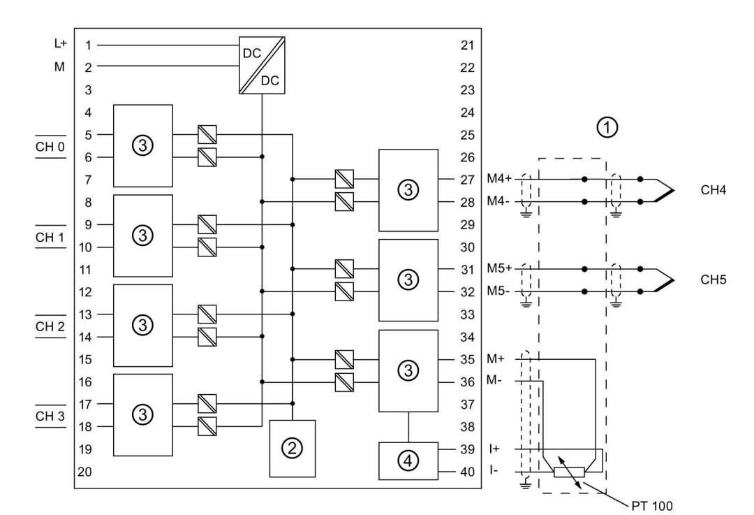
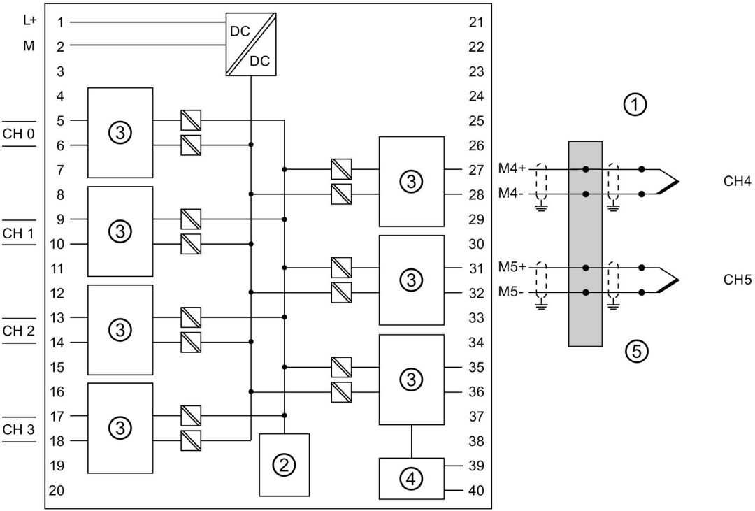
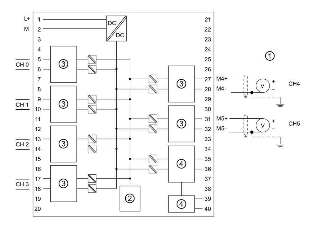
模拟输入模块SM331;AI8x16位;(6ES7331-7NF10-0AB0)
接线:电压和电流测量
通道0到7两侧可进行的连接

图6-3接线图与方框图
①用于电压测量的连接
②等电位连接
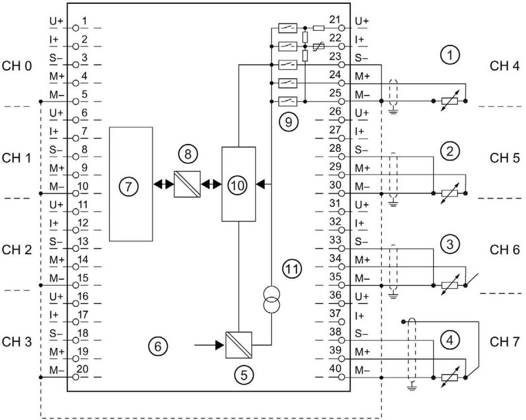
接线:2线制和4线制传感器
通道0到7两侧可进行的连接

图6-4接线图与方框图
①2线制传感器
②4线制传感器
③等电位连接

模拟输入模块SM331;AI8x14位高速;同步;(6ES7331-7HF0x-0AB0)
接线:电压测量

图6-7方框图和接线图
接线:用于电流测量的2线制和4线制测量传感器

图6-8方框图和接线图

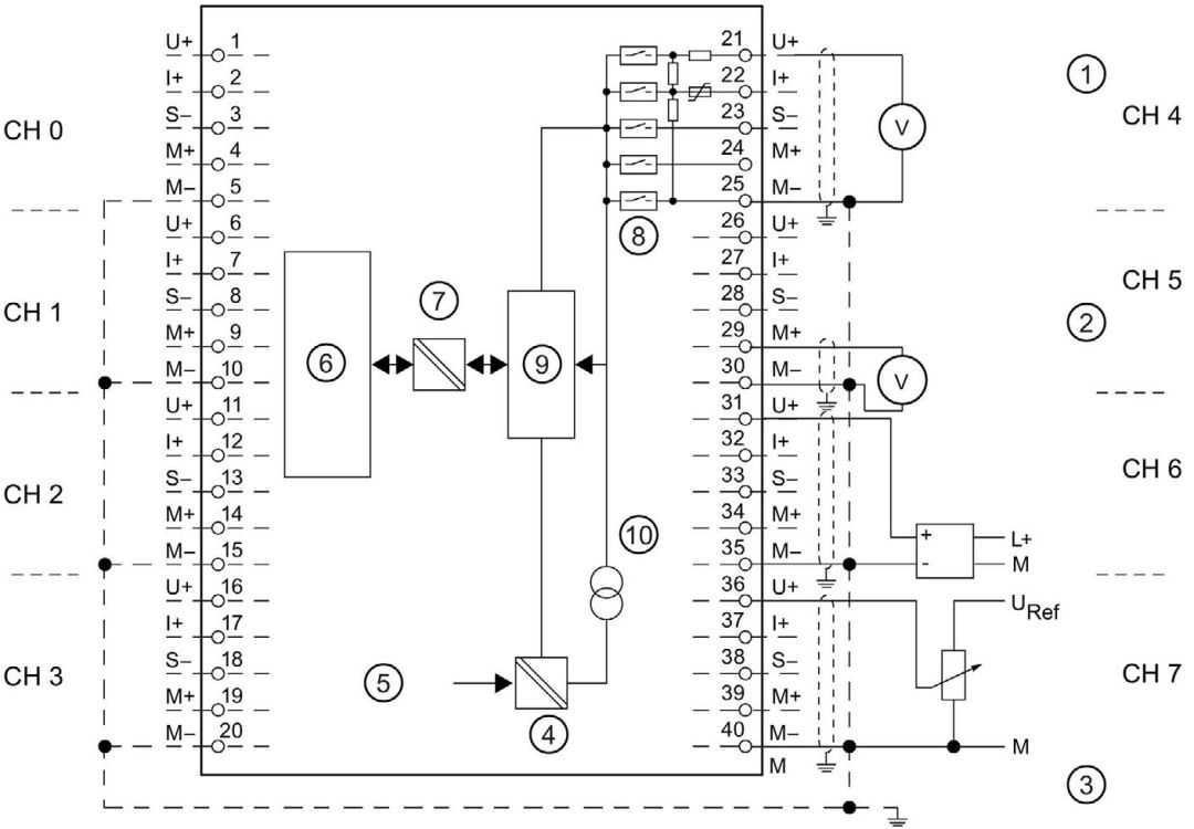
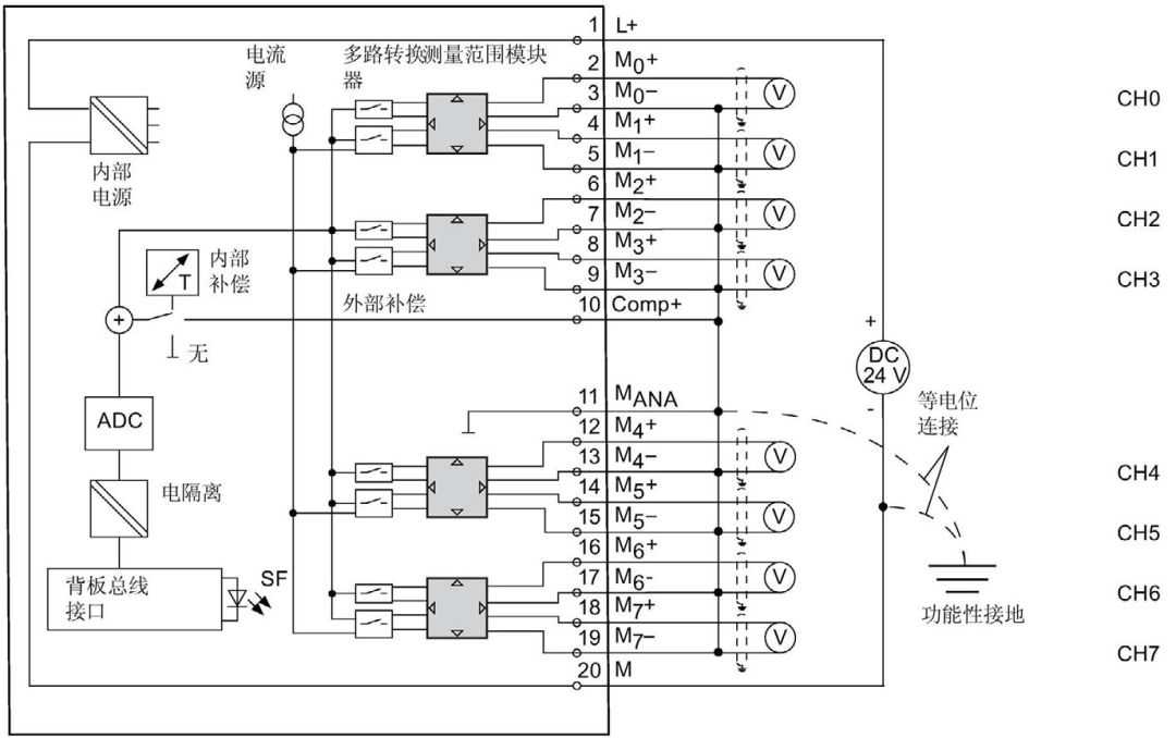
模拟量输入模块SM331,AI8x13位;(6ES7331-1KF02-0AB0)
接线:电压测量

图6-10方框图和端子图
①电压测量:(±5V、±10V、15V和010V)
②电压测量(±50mV、±500mV、±1V)(请注意技术数据中定义的输入电阻)
③等电位连接
④内部电源
⑤来自背板总线的+5V电压
⑥逻辑和背板总线接口
⑦电气隔离
⑧多路转换器
⑨模数转换器(ADC)
⑩电流源
接线:用于电流测量的2线制和4线制测量传感器

图6-11方框图和接线图
①4线制传感器(0/4mA到20mA或±20mA)
②2线制传感器(4mA到20mA)
③等电位连接
④内部电源
⑤来自背板总线的+5V电压
⑥逻辑和背板总线接口
⑦电气隔离
⑧多路转换器
⑨模数转换器(ADC)
⑩电流源
接线:2线制、3线制和4线制连接的电阻测量
以下可能的接线方式也适用于硅温度传感器和PTC。

图6-12方框图和端子图
①2线制连接。在M和S间插入桥接器(无线路阻抗补偿)。
②3线制连接
③4线制连接。不得为第四条线路接线(保持未使用)
④4线制连接。将第四条线路路由到机柜中的端子板,但不接线。
⑤内部电源
⑥来自背板总线的+5V电压
⑦逻辑和背板总线接口
⑧电气隔离
⑨多路转换器
⑩模数转换器(ADC)
⑪电流源

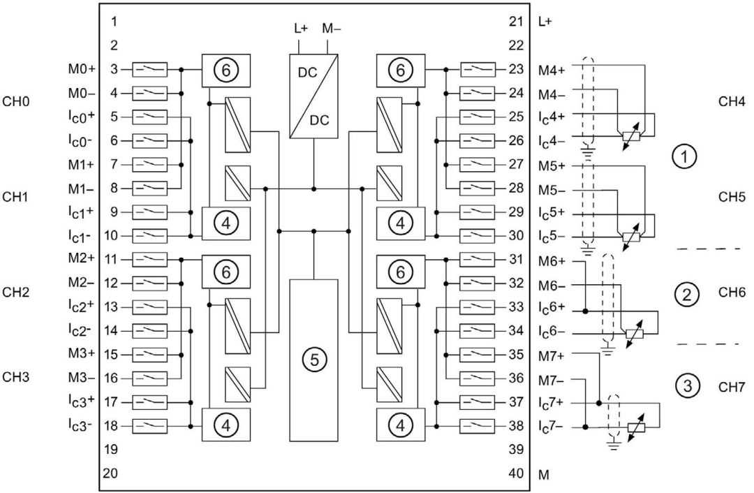
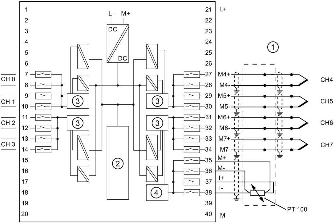
模拟量输入模块SM331;AI8x12位;(6ES7331-7KF02-0AB0)
接线:电压测量

图6-13方框图和接线图
接线:用于电流测量的2线制和4线制测量变送器

图6-14方框图和接线图
接线:阻性变送器或热电阻的2线制、3线制和4线制连接

图6-15方框图和接线图
①4线制连接
②3线制连接(不补偿线路电阻)
③2线制连接(不补偿线路电阻)
接线:带外部补偿的热电偶
使用内部补偿时,必须在Comp+和MANA间进行桥接。


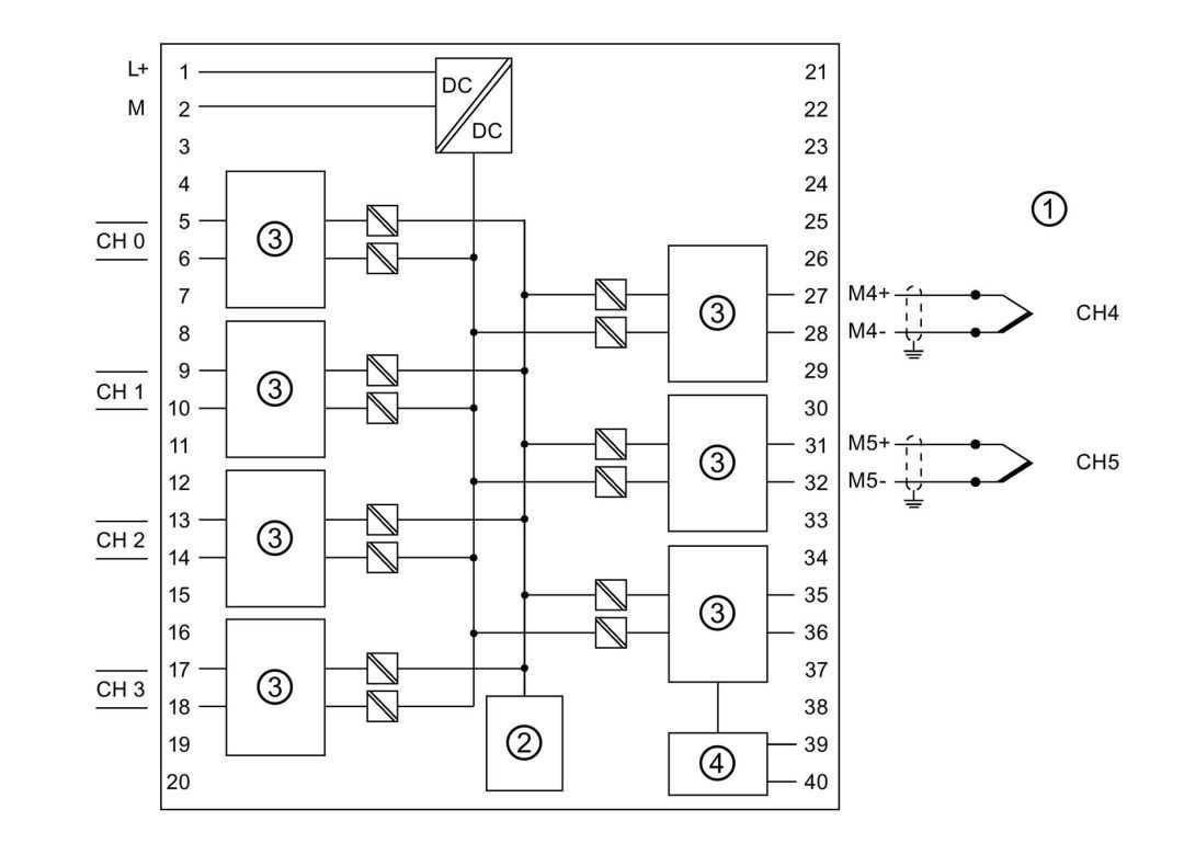
模拟输入模块SM331;AI2x12位;(6ES7331-7KB02-0AB0)
接线:电压测量

图6-17接线图与方框图
接线:带外部补偿的热电偶
使用内部补偿时,必须在Comp+和MANA间进行桥接。

图6-18接线图与方框图
接线:阻性变送器或热电阻的2线制、3线制和4线制连接

图6-19接线图与方框图
①4线制连接
②3线制连接(不补偿线路电阻)
③2线制连接(不补偿线路电阻)
接线:用于电流测量的2线制和4线制测量变送器

图6-20接线图与方框图

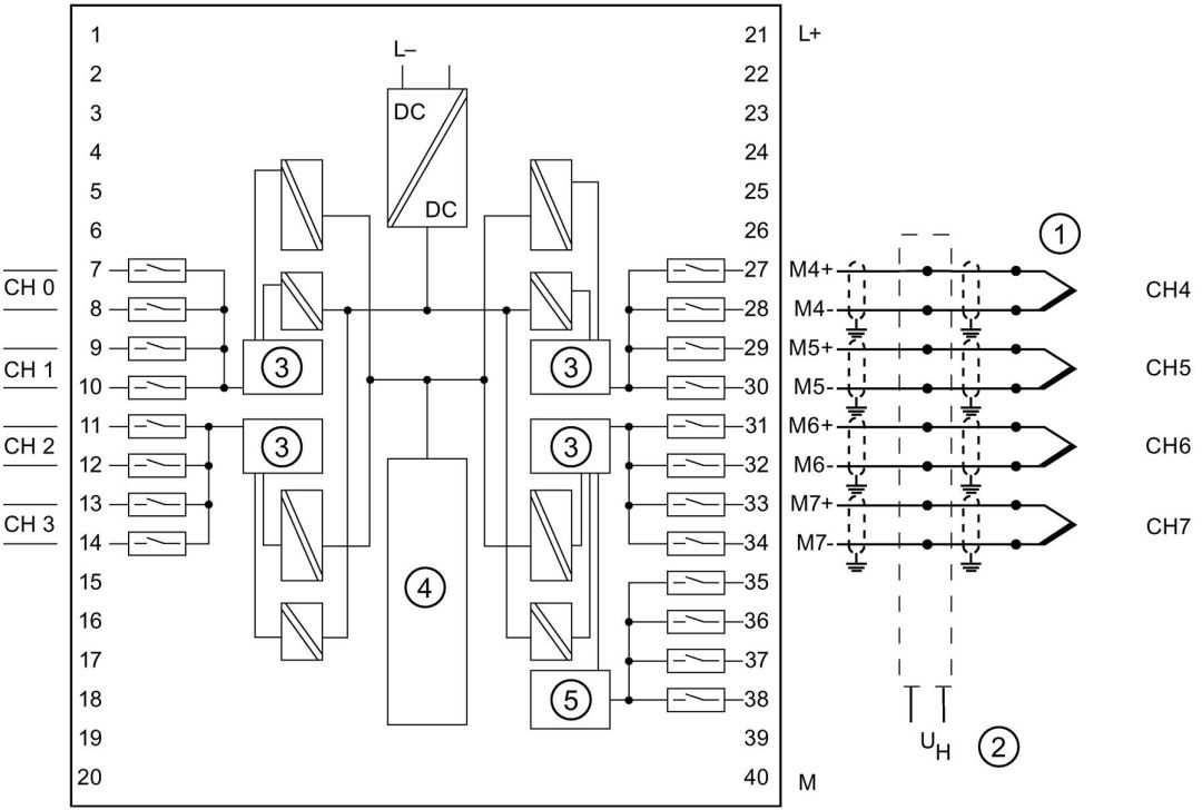
模拟输入模块SM331;AI8xRTD;(6ES7331-7PF01-0AB0)
接线:电阻和热电阻测量的2线制、3线制以及4线制连接
通道0到7两侧可进行的连接

图6-21接线图与方框图
①4线制连接
②3线制连接
③2线制连接
④数模转换器
⑤背板总线接口
⑥模数转换器(ADC)

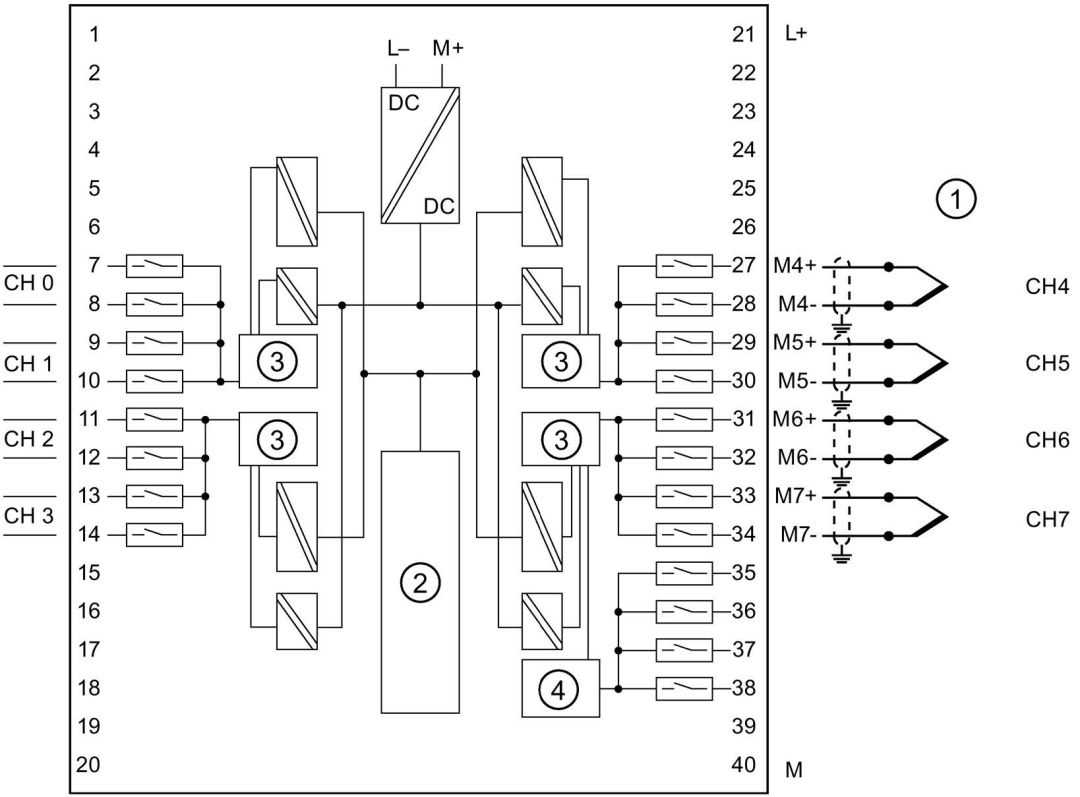
图6-22未使用的通道

模拟输入模块SM331;AI8xTC;(6ES7331-7PF11-0AB0)
接线:通过基准结的热电偶
如果热电偶通过调节为0°C或50°C的基准结接线,则所有8个输入都可作为测量通道使用。

图6-26接线图与方框图
①通过基准结的热电偶
②基准结调节为0°C或50°C例如,补偿盒(每个通道)或自动调温器
③模数转换器(ADC)
④背板总线接口
⑤外部冷端比较
接线:带外部补偿的热电偶
使用这种类型的补偿,基准结上端子的温度由温度范围为-25°C到85°C的热电阻Pt100确定(请参见端子35到38)。

图6-27接线图与方框图
①带外部温度补偿的热电偶
②背板总线接口
③模数转换器(ADC)
④外部冷端比较
接线:带内部补偿的热电偶
使用这种补偿,模块记录连接器基准结中的温度。

图6-28接线图与方框图
①将导体均衡到前连接器的热电偶
②背板总线接口
③模数转换器(ADC)
④外部冷端比较

隔离式模拟量输入模块SM331,AI6xTC(6ES7331-7PE10-0AB0)
接线:带内部补偿的热电偶
使用这种补偿,模块检测连接器基准结的温度。

①热电偶通过补偿导线(延伸)连接到前连接器
②背板总线接口
③模数转换器(ADC)
④外部冷端比较(ADC和电流源)
接线:带外部补偿的热电偶
使用这种补偿类型,基准结端子上的温度将由温度范围为-145°C到+155°C的Pt100气候型热电阻确定(请参见端子35、36、39和40)。

图6-33外部补偿
①热电偶的外部温度补偿端子通过铜导线连接到前连接器上
②背板总线接口
③模数转换器(ADC)
④外部冷端比较(ADC和电流源)
接线:通过基准结的热电偶
使用这种类型的补偿,需要将基准结端子的温度调节为0°C或50°C。

图6-34基准结
①热电偶的参比接点端子通过铜导线连接到前连接器上
②背板总线接口
③模数转换器(ADC)
④外部冷端比较(ADC和电流源)
⑤基准结的温度调节为0°C或50°C,例如,通过自动调温器或每个通道的补偿盒
接线:电压输入
图6-35电压输入
①施加的输入电压
②背板总线接口
③模数转换器(ADC)
④外部冷端比较(ADC和电流源)
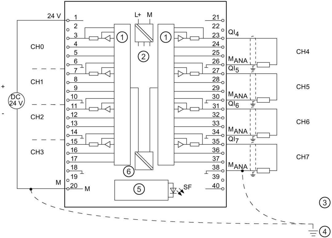
模拟量输出模块SM332;AO8x12位;(6ES7332-5HF00-0AB0)
接线:电压输出的2线和4线连接
下图描述了:
●2线制连接(对线路阻抗无补偿)和
●4线制连接(对线路阻抗有补偿)
图6-41接线图与方框图
接线:电流输出
图6-33外部补偿
图6-42接线图与方框图
①DAC
②内部电源
③等电位连接
④功能性接地
⑤背板总线接口
⑥电气隔离
模拟输出模块SM332;AO4x16位;同步;(6ES7332-7ND02-0AB0)
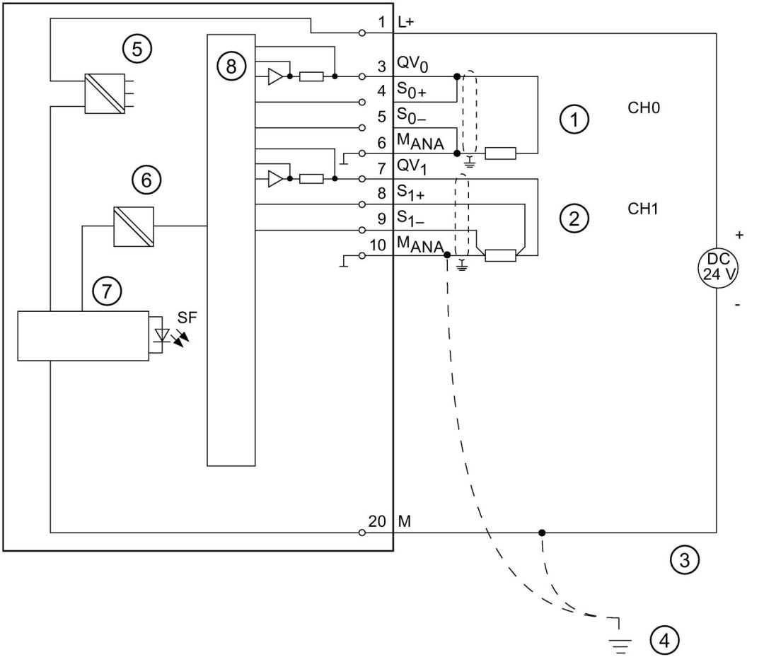
接线:4线制连接
图6-43接线图与方框图
①背板总线接口
②电气隔离
③等电位连接
④功能性接地
接线:电流输出
图6-44接线图与方框图
①背板总线接口
②电气隔离
③等电位连接
④功能性接地
模拟输出模块SM332;AO4x12位;(6ES7332-5HD01-0AB0)
接线:电压输出的2线和4线连接
下图描绘了2线制连接(对线路电阻无补偿)和4线制连接(对线路电阻有补偿)。
图6-46接线图与方框图
①2线制连接(对线路电阻无补偿)
②4线制连接(对线路电阻有补偿)
③等电位连接
④功能性接地
⑤内部电源
⑥电气隔离
⑦背板总线接口
⑧模数转换器(ADC
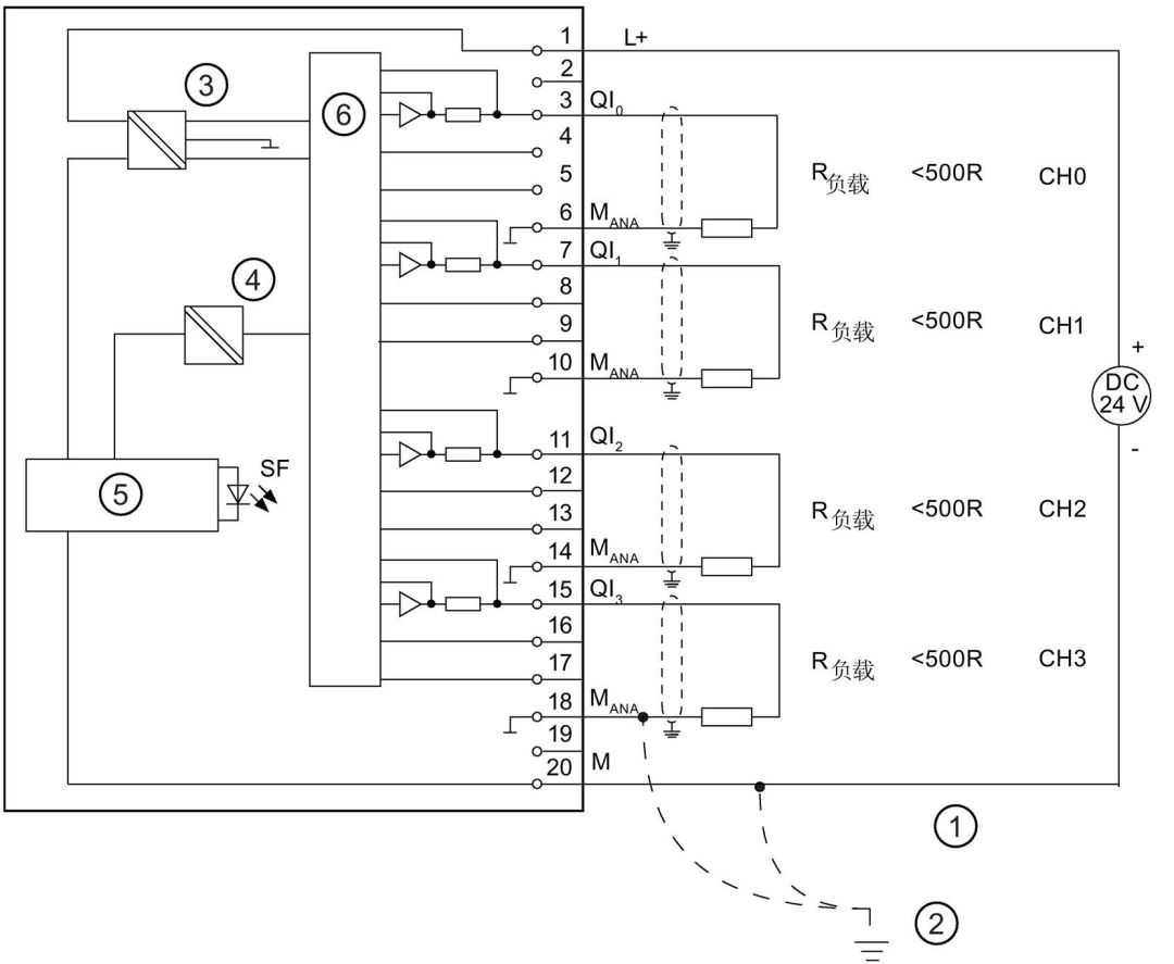
接线:电流输出
图6-47接线图与方框图
①等电位连接
②功能性接地
③内部电源
④电气隔离
⑤背板总线接口
⑥模数转换器(ADC)
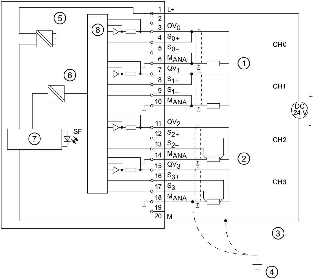
模拟输出模块SM332;AO2x12位;(6ES7332-5HB01-0AB0)
接线:电压输出的2线和4线连接
图6-48接线图与方框图
①2线制连接:对线路阻抗无补偿
②4线制连接:对线路阻抗有补偿
③等电位连接
④功能性接地
⑤内部电源
⑥电气隔离
⑦背板总线接口
⑧模数转换器(ADC)
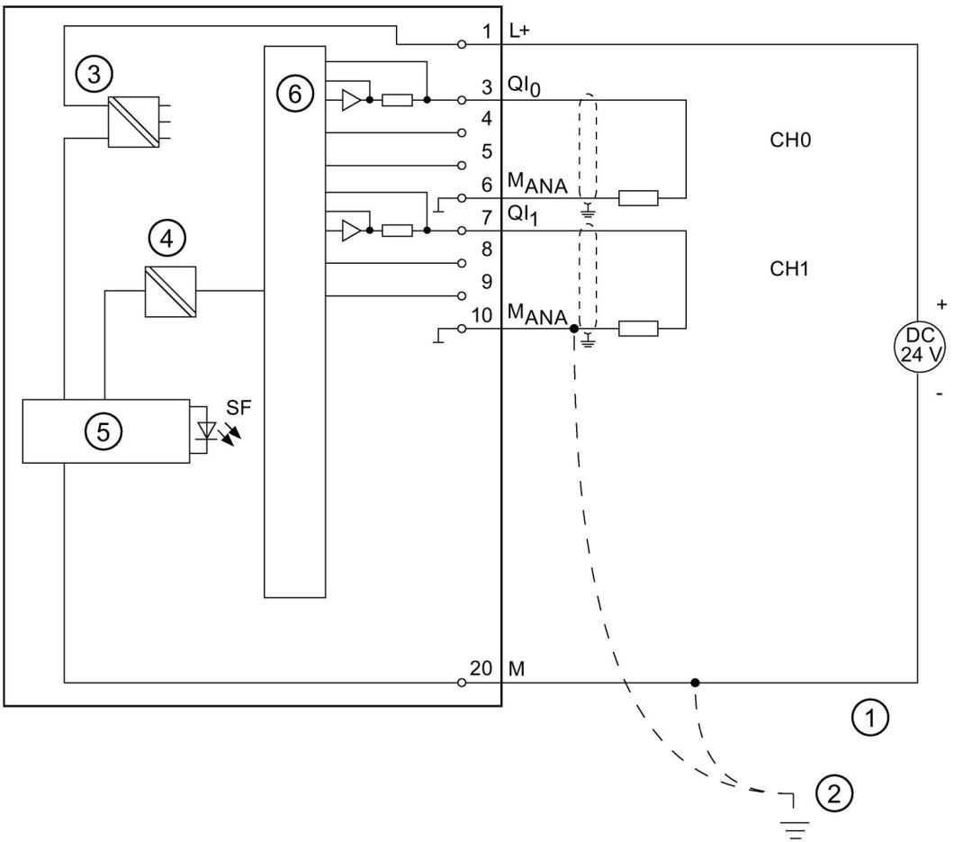
电流输出的接线
图6-49接线图与方框图
①等电位连接
②功能性接地
③内部电源
④电气隔离
⑤背板总线接口
⑥数模转换器(DAC)
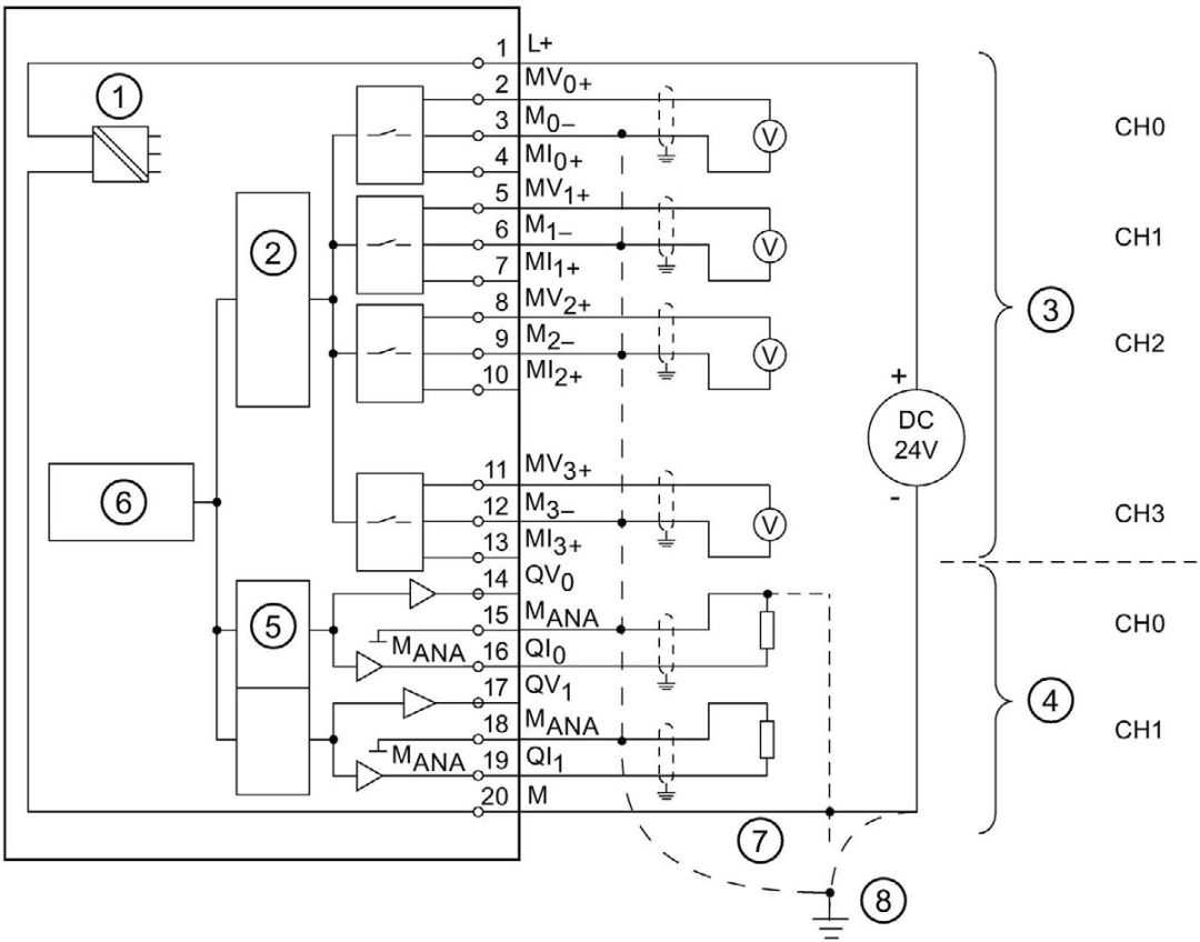
模拟IO模块SM334;AI4/AO2x8/8位;(6ES7334-0CE01-0AA0)
接线:电压测量和电流输出
图6-50接线图和方框图
①内部电源
②模数转换器(ADC)
③输入:电压测量
④输出:电压输出
⑤数模转换器(DAC)
⑥背板总线接口
⑦等电位连接
⑧功能性接地
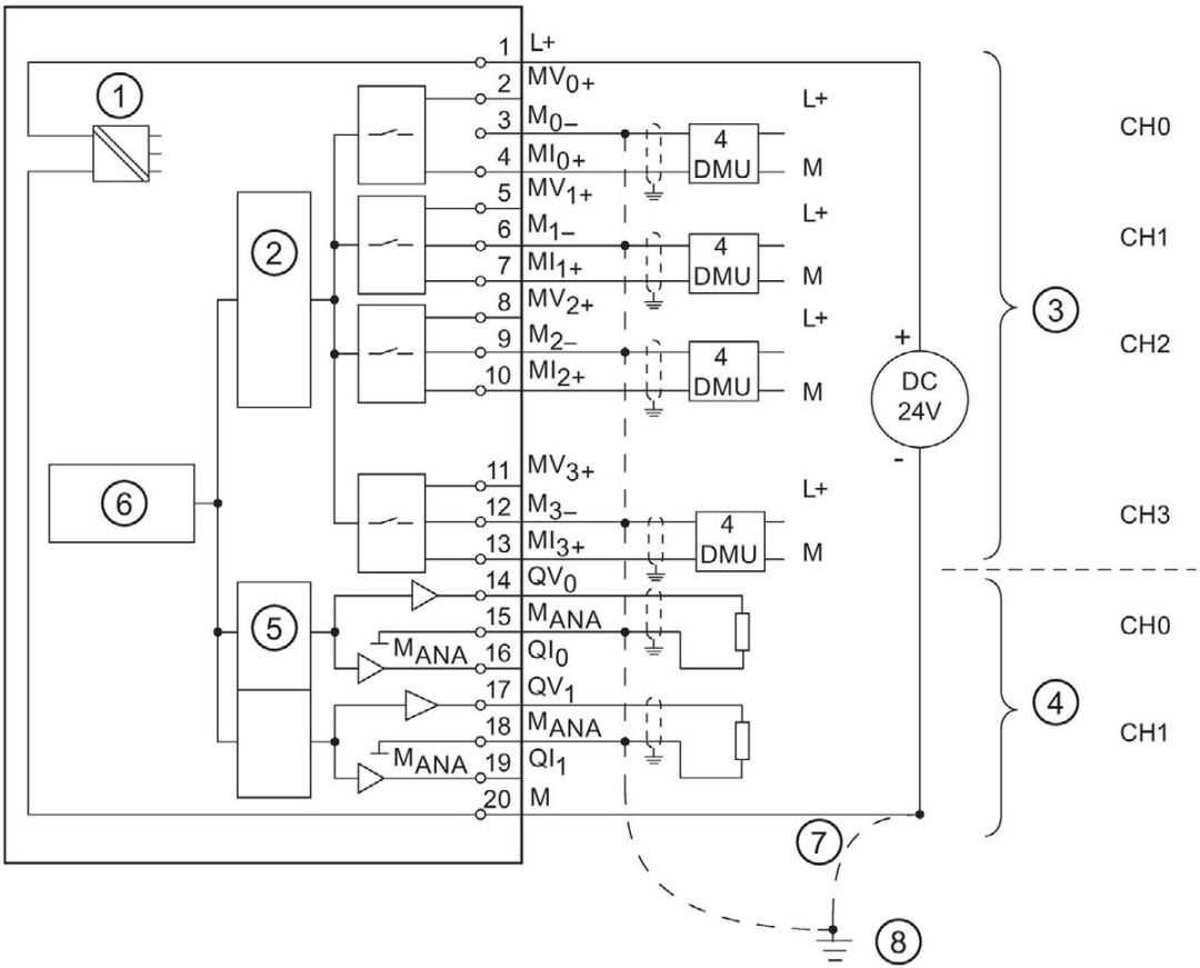
接线:用于电流测量和电压输出的4线制传感器
图6-51接线图和方框图
①内部电源
②模数转换器(ADC)
③输入:用4线传感器进行的电流测量
④输出:电压输出
⑤数模转换器(DAC)
⑥背板总线接口
⑦等电位连接
⑧功能性接地
模拟IO模块SM334;AI4/AO2x12位;(6ES7334-0KE00-0AB0)
接线:电阻测量、电压测量和电压输出
图6-52接线图与方框图
接线:电阻测量和电压输出
图6-53接线图与方框图