1.市电输入电路
市电输入电路的核心元器件是熔断器FUSE300、滤波电容C300、整流堆DB1、滤波电容C4,辅助元器件有电流互感器CT300压敏电阻ZNR300。

该机输入的市电电压通过FUSE300输入,利用C300抑制高频干扰脉冲后,第一路送到电压检测电路和市电过零检测电路;第二路通过CT300的一次绕组加到DB1的交流输入端,市电经DB1、L1和Cl14构成的桥式整流、滤波电路整流和滤波,在C14两端产生300V左右直流电压。该电压不仅为功率变换器(主回路)供电,而且为低压电源电路供电。市电输入回路的ZNR300用于市电过电压保护。当市电电压过高时,ZNR300击穿,使FUSE300过电流熔断,切断市电输入回路,以免C14、功率管和开关电源的元器件过电压损坏。
2.电源电路
该机的电源电路是以电源模块ICl(ⅤIPer12A)、开关变压器L101为核心构成的串联型开关电源。
(1)功率变换电路
功率变换电路的核心元器件是电源模块ICl、开关变压器L101、续流二极管D33、滤波电容EC22、稳压器U2
300V电压通过D101隔离、R10限流,再经滤波电容EC01滤波后,加到IC1的供电端⑤~⑧脚,该电压不仅加到开关管的D极为它供电,而且通过高压电流源对IC1④脚外接的滤波电容EC20充电。当EC20两端建立的电压使ICl的④脚电压达到14V后,它内部的60kHz脉宽调制器等电路开始工作,由该电路产生的激励脉冲使开关管工作在开关状态。开关管导通期间,EC101两端的电压通过开关管D/S极、开关变压器L101的一次绕组、EC22构成充电回路,不仅为EC22充电,而且在一次绕组上产生左正、右负的电动势。开关管截止期间,流过一次绕组的导通电流消失,由于电感中的电流不能突变,所以一次绕组通过自感产生右正、左负的电动势。该电动势第一路通过D30整流、EC20滤波后产生40V左右的电压,取代启动电路为IC1供电;第二路通过EC22、D33构成放电回路为EC22继续补充能量,使EC22在一个振荡器周期都可以得到能量,所以该开关电源不仅效率高于并联型开关电源,而且由于开关管D、S极间电压相对较低,所以该电源未设置尖峰脉冲吸收回路。
该电源工作后,EC22两端产生的18V电压为功率管驱动电路、振荡器、保护电路等供电。同时,L101的二次绕组输出的脉冲电压通过D31整流,EC21、EC24滤波产生12V电压,该电压不仅为风扇电动机供电,而且经三端稳压器U2(7805)稳压获得5V直流电压,为微处理器(CPU)、操作键电路、指示灯等供电。
(2)稳压控制电路
稳压控制电路的核心元器件是电源模块IC1、开关变压器L101、稳压管Z10、滤波电容EC20。

当市电电压升高或负载变轻引起开关电源输出电压升高时,滤波电容EC20两端升高的电压使稳压管Z10击穿导通程度加强,为IC1③脚提供的误差电压升高,被它内部的电路处理后,使开关管导通时间缩短,开关变压器L101存储的能量下降,开关电源输出电压下降到正常值。反之,稳压控制过程相反。因此,通过该电路的控制可保证开关电源输出电压不受市电高低和负载轻重的影响,实现稳压控制。
3)欠电压保护电路
当D30或EC22击穿使IC1的④脚不能建立145V以上的电压时,它内部的电路不能启动;若D30开路或L101异常为EC20两端提供的电压低于8V时,U1内的欠电压保护电路动作,避免了开关管因激励不足而损坏。
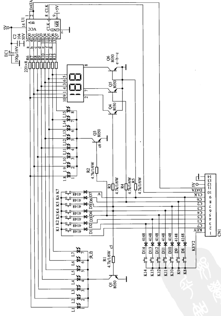
3.系统控制电路
该机的系统控制电路以微处理器U1(TMP86C807M/N)为核心构成
微处理器基本工作条件电路
微处理器的基本工作条件电路主要包括供电、复位和时钟振荡电路。该电路的核心元器件是微处理器U1(TMP86C807MN)、三极管Q3、稳压管Z1、晶振ⅹL200
①供电。低压电源输出的5V电压经EC16滤波后,加到微处理器U1供电端⑤脚,为U1内部电路供电。
②复位。复位电路由Q3、Z1等元器件组成。开机瞬间5V电源电压在滤波电容的作用下是从0逐渐升高到5V的。当该电压低于34V时,Q3的发射极电位不能超过基极电位07V,所以Q3截止,它的集电极电位为低电平,使U1的复位信号输入端⑧脚输入低电平复位信号,U1内部的存储器、寄存器等电路开始复位。当5V电源电压超过34V后,Q3导通,由它的集电极输出的高电平电压经C11滤波后加到U⑧脚,使U1内部电路复位结束后开始工作。
③时钟信号。U1获得供电后,它内部的振荡器开始工作,与②、③脚外接的晶振XL200通过振荡产生8MHz时钟信号。该信号经分频后作为U1工作的基准频率。